This is a P Mosfet
Low at the gate will turn it On; High will turn the P Mosfet off.
Next here is a N Mosfet
Low at the gate will turn N Mosfet on; low will turn it off.
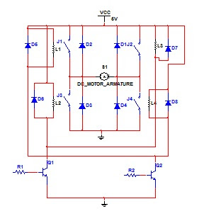
Below shows a basic Mosfet H-bridge.
Turning on the pair Q1 Q4 or Q2 Q3 will rotate the motor.
Q1 and Q3 on, the motor will be on a High brake
Q2 Q4 on, the motor will be low brake
Short circuit will occur if the pair Q1 Q2 or Q3 Q4 are turn on.
Mosfets are controlled by voltage present at their gate, it will be uncontrolled if the gate is disconnected. Hence it will be wise to set a default value to the Mosfet gate.
Below shows a diagram with all Mosfet gates connected to the ground by the pull down resistor. Here P Mosfet are ON (Q1 Q3), while N Mosfet are OFF (Q2 Q4) making the default state High Braking. Of course, we can make all MOsfet off as the default state, by using pull-up resistors for P Mosfet and pull down resistors for N MOsfet.
How to interface the Mosfet H bridge
First, we can use a 4427 which is a driver to interface the H bridge with the microcontroller. I01 and IO3 are the inputs, IO4 IO5 outputs and IO2 ground. IO1 controls IO4,IO3 controls IO5.
Below is the truth table for the H bridge operation
IO1 | IO3 | output |
0 | 0 | Hi brake |
0 | 1 | Q1Q4 ON |
1 | 0 | Q2Q3 ON |
1 | 1 | Low brake |
Next we will use a 4428 ( also a driver ) to interface the H bridge with the microcontroller. I01 and IO3 are the inputs, IO4 IO5 outputs and IO2 ground. IO1 controls IO4, IO3 controls IO5. 4428 IO4 is an inventing output.
Below is the truth table for the H bridge operation
IO1 | IO3 | output |
0 | 0 | Q2Q3 ON |
0 | 1 | Low brake |
1 | 0 | Hi brake |
1 | 1 | Q1Q4 ON |
The advantages of these 2 designs are
- Only 2 inputs to control the H bridge
- Simple and easy to interface
- Eliminates short circuit combination
However, the design has a flaw, that is shoot-through will occur. The driver drives the same side of the H bridge and when driver output changes states, it will turn on both P Mosfet and N Mosfet for a brief moment, creating a short circuit path! The effect will be more serious if the motor changes states often, for example during PWM.
The 2 circuits below shows that by using 2 driver chip of each H-bridge we can eliminate shoot-through
Using 2 4427 drivers, we can control each Mosfets individually. A delay can be added through software so that the shoot-through condition will not occur.
Disadvantages of this circuit iare
- Need 4 outputs to control 1 H bridge
- More expensive
- Short circuit might occur, and must be prevented through software.
Next a dual 4428 H-bridge.
Below is the truth table for the H bridge operation
IO1 | IO3 | output |
0 | 0 | coast |
0 | 1 | Q2 Q3 ON |
1 | 0 | Q1 Q4 ON |
1 | 1 | Short circuit |
Disadvantages of this circuit are
- No braking available
- More expensive
- Short circuit might occur, and must be prevented through software
There are so many types of H-bridge design and which one to use? It is all up to us to choose.










